What Are the Connection Methods of LED Drivers?
Apr 07, 2026
For LED product R&D, production and installation professionals, choosing the right LED driver connection method is crucial to ensuring product stability, extending service life, and reducing maintenance costs. This article will detail the characteristics, advantages, disadvantages and applicable scenarios of each LED driver connection method to help you make accurate selections.
1. Series Connection
The series connection method is simple in circuit: LEDs are connected end to end in a loop. Since LEDs are current-type devices, the current flowing through each LED during operation is consistent, which can basically ensure uniform luminous intensity of each LED.
Advantages: Simple circuit structure and easy connection, with uniform brightness of LEDs. Disadvantages: It has a fatal flaw-if one LED fails and opens the circuit, the entire LED string will go out, affecting reliability. Therefore, high-quality LEDs are required to improve overall reliability.
Note on driver matching: If a constant voltage LED driver is used, a short circuit of one LED will cause the circuit current to increase, which may damage all subsequent LEDs when it reaches a certain value. However, if a constant current LED driver is used, the current remains basically unchanged when one LED is short-circuited, without affecting other LEDs. Regardless of the driver type, the entire circuit will not light up if any LED is open-circuited.
Applicable scenarios: Low-power LED light strings, small decorative lamps, and scenarios with a small number of LEDs and low reliability requirements.

2. Parallel Connection
The parallel connection method is characterized by LEDs connected in parallel at both ends. During operation, each LED bears the same voltage, but the current may not be equal-even for LEDs of the same model, specification and batch, due to differences in manufacturing processes.
Advantages: Low required voltage and simple circuit structure. Disadvantages: Uneven current distribution may reduce the service life of LEDs with excessive current and even burn them out over time. The reliability is not high, especially when the number of LEDs is large, the probability of failure increases significantly.
Note on driver matching: Due to the different forward voltage drops of each LED, the brightness of each LED may be inconsistent. If one LED is short-circuited, the entire circuit will be short-circuited, and other LEDs will not work normally. If one LED is open-circuited, using a constant current driver will increase the current distributed to the remaining LEDs, which may cause damage; using a constant voltage driver will not affect the normal operation of the entire LED circuit.
Applicable scenarios: Low-voltage LED products, small-scale lighting equipment, and scenarios where voltage supply is limited but reliability requirements are not high.

3. LED Driver Connection: Series-Parallel (Mixed) Connection
The mixed connection method combines series and parallel connections: several LEDs are first connected in series to form a branch, and then multiple branches are connected in parallel to the LED driver power supply. When the LEDs have basic consistency, this connection method ensures that the voltage of all branches is basically equal, and the current flowing through each branch is also basically consistent.
Core advantage: It is mainly used in scenarios with a large number of LEDs. The failure of LEDs in one branch will only affect the luminous effect of that branch, which greatly improves reliability compared with simple series or parallel connections.
Practical application: At present, many high-power LED lamps (such as LED street lamps, industrial lighting, and commercial lighting) generally adopt this connection method, which achieves a good balance between practicality and reliability.
Applicable scenarios: High-power LED lamps, large-scale lighting projects, and scenarios with high requirements for reliability and uniform brightness.

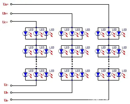
4. Array Connection
The main structure of the array connection method is: each branch is composed of 3 LEDs as a group, which are respectively connected to the Ua, Ub, and Uc output terminals of the driver. When all 3 LEDs in a branch are normal, they emit light at the same time; if one or two LEDs fail and open the circuit, at least one LED can still work normally.
Core advantage: This design can greatly improve the luminous reliability of each group of LEDs, thereby enhancing the overall luminous reliability of the entire LED system. It should be noted that this method requires multiple groups of input power supplies, whose core purpose is to improve the working reliability of LEDs and reduce the overall circuit failure rate.
Applicable scenarios: High-reliability LED products, such as emergency lighting, medical lighting, and outdoor lighting that require long-term stable operation.

How to Choose the Right Connection Method?
The four LED driver connection methods have their own advantages and disadvantages, and there is no "one-size-fits-all" solution. In practical applications, you need to comprehensively consider the following factors to make a reasonable choice:
- LED product power and number of LEDs
- Actual use scenarios and reliability requirements
- Type of LED driver (constant current/constant voltage)
- Maintenance cost and later operation and maintenance convenience
Only by choosing the appropriate connection method can we give full play to the performance advantages of LEDs, ensure long-term stable operation of products, and balance use effect and service life.
If you have questions about LED driver connection method selection, or need to customize a suitable connection scheme according to your specific product parameters, please feel free to contact us for professional technical support.






